优势特点:台湾TBI滚珠丝杆XSV系列在选型以TBI丝杆公称直径、导程、长度、螺母形式、精度这些主参数为主,采用隔离滚珠或减少承载滚珠数目的一个不利的后果是降低了滚珠丝杆的承载能力, 这必须通过减少工作负载或增大滚珠丝杆尺寸来补偿。

1---TBI丝杆公称直径;2---导程;3---长度;4---螺母形式;5---精度;以上说的都是主要参数,在选用型号时还得用到以下参;珠卷数:这个参数一般标注在型号的导程后,如401;珠径:这个参数是指滚动体的直径,型号中不会体现,;制造方式代码:滚珠丝杠的制造方式主要是两种:轧制;预压:也称预紧;对一般精度要求按照上面的要求就可以选择。
2---台湾TBI滚珠丝杆导程。也称螺距,即螺杆每旋转一周螺母直线运动的距离,常见导程有1、2、4、6、8、10、16、20、25、32、40,中小导程现货产品一般只有5、10,大导程一般有1616、2020、2525、3232、4040(4位数前两位指直径,后两位指导程),其他规格多数厂家见单生产。导程与直线速度有关,在输入转速一定的情况下,导程越大速度越快。推荐:导程尽量选5和10。
3---台湾TBI滚珠丝杠长度。长度有两个概念,一个是全长,另一个是螺纹长度。有些厂家只计算全长,但有些厂家需要提供螺纹长度。螺纹长度中也有两个部分,一个是螺纹全长,一个是有效行程。前者是指螺纹部分的总长度,后者是指螺母直线移动的理论大长度,螺纹长度=有效行程+螺母长度+设计裕量(如果需要安装防护罩,还要考虑防护罩压缩后的长度,一般按防护罩大长度的1/8计算)。
4---台湾TBI滚珠丝杆螺母形式。各厂家的产品样本上都会有很多种螺母形式,一般型号中的前几个字母即表示螺母形式。按法兰形式分大约有圆法兰、单切边法兰、双切边法兰和无法兰几种。按螺母长度分有单螺母和双螺母(注意,单螺母和双螺母没有负载和刚性差异,这一点不要听从厂家销售人员的演说,单螺母和双螺母的主要差异是后者可以调整预压而前者不能,另外后者的价格和长度大致均是前者的2倍)。
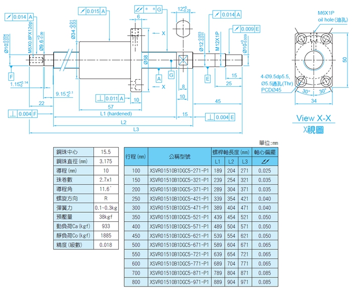
5---台湾TBI丝杆精度。滚珠丝杠按GB分类有P类和T类,即传动类和定位类,精度等级有1、2、3、4.....几种,国外产品一般不分传动还是定位,一律以C0~C10或具体数值表示,一般来说,通用机械或普通数控机械选C7(任意300行程内定位误差±0.05)或以下,高精度数控机C5(±0.018)以上C3(±0.008)以下,光学或检测机械选C3以上。
以上说的都是台湾TBI滚珠丝杆XSV系列主要参数,在选用型号时还得用到以下参数:珠卷数,珠径,制造方式代码,预压等级等。分别说明如下:
珠卷数:这个参数一般标注在型号的导程后,如4010-4,这个“-4”就是珠卷数,因为有循环方式的问题说起来比较复杂,用户可以简单的理解为滚动体的循环圈数,“-4”就是4个循环,这个数值越大表示负载越大螺母长度越长。
珠径:这个参数是指滚动体的直径,型号中不会体现,但是在各厂家的技术参数表中会标识,一般与公称直径和导程相关,用户不必理会。但是有些用户因使用不当导致滚珠掉出螺母外需要重装滚珠时这个参数是要注意的,尺寸一般精确到0.001,当然,不推荐用户自行安装,否则厂家不会提供无偿维护,即使产品仍在保修期内。如有滚珠意外掉落的情况,应通知供应商协助安装。
制造方式代码:滚珠丝杠的制造方式主要是两种:轧制和磨制,前者也称滚轧制造或转造,一般用F表示。后者也称研磨制造。一般用G表示。因工艺的不同,两者能达到的精度等级不同,目前,轧制方式能达到的最高精度是C5级。而磨制可以成产出更高精度的产品。不过请注意,两种制造方式与精度、性能没有逆向必然性,也就是说如果你选用的精度是C7,那么与它是怎么制造出来的无关。事实上我碰到许多厂家的专业销售人员都未必知道两者之间的详细区别,所以多说几句:轧制属于批量制造,磨制属于精确制造,前者的生产效率远远高于后者,但是前者的制造设备成本也远远高于后者。





XSVR01210

XSVR01510

XSVR01520

XSVR02010

XSVR02020


XSV1210 XSV1510 XSV1520 XSV2010 XSV2020
上一篇:SFV系列TBI负重滚珠丝杆
下一篇:原装SFT系列TBI滚珠丝杆



























