优势特点:银泰直线导轨SME25LSV的组装过程简单,并且其具有互换性。直线导轨在组装的时候只需要依照步骤,再注意几个小细节,就能对其进行组装。直线导轨的润滑构造部位相对简单。当润滑不足时候,课才去两种方法对其进行润滑。



银泰SME系列钢珠链带型直线导轨比起一般标准型线性导轨,搭配钢珠链带的专利设计,可使其运行更为稳定顺畅,特别适用于讲求高速度、高精度的设备需求。
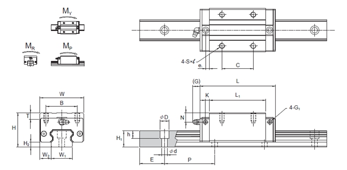
【四方向等负荷设计】
透过结构应力分析,优化的四列式钢珠45°圆弧接触角与高刚性断面设计,除了提供径向、反径向及横方向四方向优良的负荷能力,并且可利用预压调整增加其刚性,更适合各种安装方式的应用。
【具自动调心能力】
正面组合(DF组合)的圆弧沟槽设计,使其具有自动调心的能力,即使给予预压也能够吸收安
装误差,并维持平滑稳定、高精度的直线运动。
【钢珠链带式设计,行走顺畅度佳】
简单圆滑的钢珠回流路径设计,采用耐冲击的强化合成树脂之钢珠循环配件,配合钢珠链
带式的设计,防止钢珠与钢珠间的相互磨擦,使钢珠循环进出负荷区与非负荷区时更加平
稳,并能保持钢珠在同一直在线运转,大幅的提高其行走顺畅度。
【低噪音,润滑效果佳】
钢珠链带式的设计减少了钢珠间的金属碰撞,降低整体的运行噪音,并在钢珠与链带间可
有效的保持润滑油脂,润滑效果佳,提升整体的行走顺畅度与使用寿命,可满足高精度、
高可靠度及平滑稳定的直线运动需求。



























银泰直线导轨SME25LSV的组装过程简单,并且其具有互换性。直线导轨在组装的时候只需要依照步骤,再注意几个小细节,就能对其进行组装。直线导轨的润滑构造部位相对简单。当润滑不足时候,课才去两种方法对其进行润滑。
上一篇:没有了



















