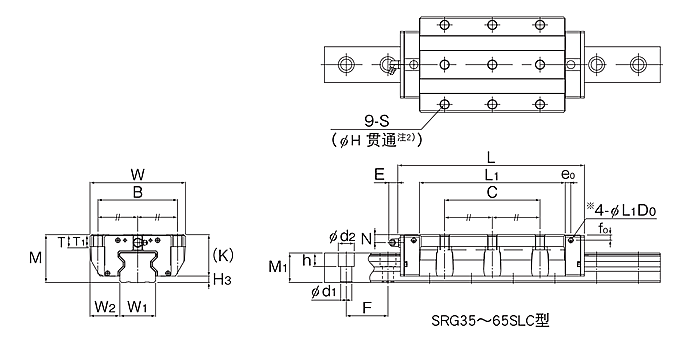
优势特点:THK超重负荷直线导轨SRG35C属于超高刚性型导轨,组合高度为48,滑块对称安装孔为82*62。THK直线导轨组装容易并具互换性,THK直线导轨具有互换性,可分别更换滑块或滑轨甚至是THK直线导轨组,机台即可重新获得高精密度的导引。


| 型号 | 外形尺寸 | LM滑块尺寸 | H3 | ||||||||||||||||||||||||||||||||||
|
高度 M |
宽度 W |
长度 L |
B | C | C2 | S | H | ℓ1 | ℓ2 | L1 | T | T1 | K | N | E | e0 | f0 | D0 | 油嘴 | ||||||||||||||||||
| SRG35C | 48 | 100 | 125 | 82 | 62 | 52 | M10 | 8.5 | - | - | 82.2 | 11.5 | 10 | 42 | 6.5 | 12 | 6 | 6 | 5.2 | B-M6F | 6 | ||||||||||||||||
| 型号 | LM轨道尺寸 | 基本额定负荷 |
静态容许力矩 kN•m*
|
质量 | |||||||||||||
|
宽度W1 0 -0.05 |
W2 |
高度 M1 |
孔距 F |
d1×d2×h |
长度 Max |
C kN |
Co kN |
MA | MB | MC | |||||||
| 单滑块 | 双滑块紧靠 | 单滑块 | 双滑块紧靠 | 单滑块 |
LM滑块 kg |
LM轨道 kg/m |
|||||||||||
| SRG35C | 34 | 33 | 30 | 40 | 9×14×12 | 3000 | 59.1 | 119 | 1.66 | 10.1 | 1.66 | 10.1 | 2.39 | 1.9 | 6.9 | ||
THK超重负荷直线导轨SRG35C属于超高刚性型导轨,组合高度为48,滑块对称安装孔为82*62。THK直线导轨组装容易并具互换性,THK直线导轨具有互换性,可分别更换滑块或滑轨甚至是THK直线导轨组,机台即可重新获得高精密度的导引。
导轨油中的硫、磷等抗磨剂在切削液主要成分水的作用下被水解,硫、磷等成分对钢铁件有严重的腐蚀性,是导轨锈蚀的最主要的原因。解决导轨锈蚀的方法要么就是把水性切削液换为油性的切削油、乳化油或者换用清洗效果不是特别好的切削液再或者就是选择用钼作为抗磨原料的导轨油。
上一篇:THK重负荷滑轨SRG85LC
























