优势特点:
材质表:
| 型号 | 生产标准 | 内装轴承 | 外壳材质 | 外壳表面处理 | 使用温度℃ | ||||
| SBR口LUU | GBT/16940-2012 | 2*LM口UU-OP | 6063铝合金 | 本色阳极氧化处理(常规) | 黑色阳极氧化处理(定做) | -20~80 | |||
| SBR口LM | GBT/16940-2012 | 2*LM口M-OP | 6063铝合金 | 本色阳极氧化处理(常规) | 黑色阳极氧化处理(定做) | -20~150 | |||
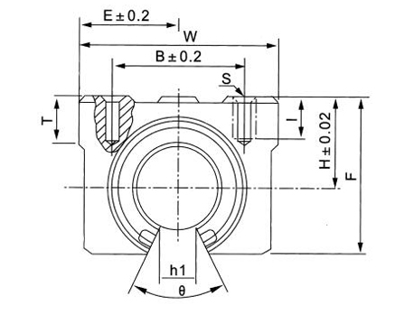
滑块单元 SBR□L 型 (亚洲标准)图纸


滑块单元 SBR□L 型 (亚洲标准)型号参数
| 型号 | 内装轴承 | 轴径 | 主要尺寸 | 安装尺寸 | 重量 (KG) | ||||||||||
| H | E | W | L | F | T | h1 | θ | B | C | S | I | ||||
| SBR16LUU | 2*LM16UU-OP | 16 | 20 | 22.5 | 45 | 85 | 33 | 9 | 10 | 80° | 32 | 60 | M5 | 12 | 0.29 |
| SBR20LUU | 2*LM20UU-OP | 20 | 23 | 24 | 48 | 96 | 39 | 11 | 10 | 60° | 35 | 70 | M6 | 12 | 0.51 |
| SBR25LUU | 2*LM25UU-OP | 25 | 27 | 30 | 60 | 130 | 47 | 14 | 11.5 | 50° | 40 | 100 | M6 | 12 | 0.98 |
| SBR30LUU | 2*LM30UU-OP | 30 | 33 | 35 | 70 | 140 | 56 | 15 | 14 | 50° | 50 | 110 | M8 | 18 | 1.45 |
| SBR35LUU | 2*LM35UU-OP | 35 | 37 | 40 | 80 | 150 | 63 | 18 | 16 | 50° | 55 | 126 | M8 | 18 | 1.85 |
| SBR40LUU | 2*LM40UU-OP | 40 | 42 | 45 | 90 | 175 | 72 | 20 | 19 | 50° | 65 | 140 | M10 | 20 | 2.48 |



























