优势特点:
材质表:
| 型号 | 生产标准 | 内装轴承 | 外壳材质 | 外壳表面处理 | 使用温度℃ | ||||
| SCE口VUU | GBT/16940-2012 | LME口UU | 6063铝合金 | 本色阳极氧化处理(常规) | 黑色阳极氧化处理(定做) | -20~80 | |||
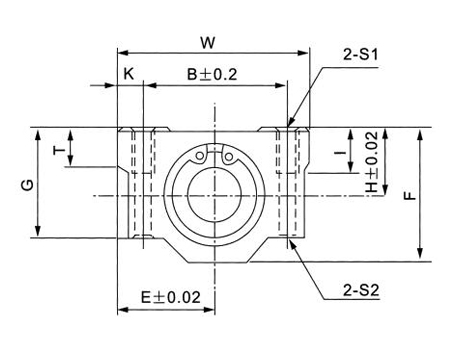
图纸:
型号参数:
| 型号 | 内装轴承 | 轴径 | 主要尺寸 | 安装尺寸 | 重量 (KG) | |||||||||||
| H | E | W | L | F | G | T | B | C | K | S1 | S2 | I | ||||
| SCE8VUU | LME8UU | 8 | 11 | 17 | 34 | 14.5 | 22 | 18 | 6 | 24 | 7.25 | 5 | M4 | 3.4 | 8 | 0.025 |
| SCE10VUU | LME10UU | 10 | 13 | 20 | 40 | 20 | 26 | 21 | 8 | 28 | 10 | 6 | M5 | 4.3 | 12 | 0.053 |
| SCE12VUU | LME12UU | 12 | 15 | 22 | 44 | 20.9 | 30 | 24.5 | 8 | 33 | 10.45 | 5.5 | M5 | 4.3 | 12 | 0.065 |
| SCE16VUU | LME16UU | 16 | 19 | 25 | 50 | 22.5 | 38.5 | 32.5 | 9 | 36 | 11.25 | 7 | M5 | 4.3 | 12 | 0.1 |
| SCE20VUU | LME20UU | 20 | 21 | 27 | 54 | 29.1 | 41 | 35 | 11 | 40 | 14.55 | 7 | M6 | 5.2 | 12 | 0.148 |
| SCE25VUU | LME25UU | 25 | 26 | 38 | 76 | 41.1 | 51.5 | 42 | 12 | 54 | 20.55 | 11 | M8 | 7 | 18 | 0.368 |
| SCE30VUU | LME30UU | 30 | 30 | 39 | 78 | 49.1 | 59.5 | 49 | 15 | 58 | 24.55 | 10 | M8 | 7 | 18 | 0.5 |
| SCE40VUU | LME40UU | 40 | 40 | 51 | 102 | 56.6 | 78 | 62 | 20 | 80 | 28.3 | 11 | M10 | 8.7 | 25 | 1.0 |
| SCE50VUU | LME50UU | 50 | 52 | 61 | 122 | 72.6 | 102 | 80 | 25 | 100 | 36.3 | 11 | M10 | 8.7 | 25 | 2.205 |
上一篇:没有了
下一篇:YTP直线轴承SCE□LUU型





























