优势特点:高稳定性THK线性滑轨SRG25C属于超高刚性型导轨,组合高度为36,滑块对称安装孔为57*45。THK直线导轨由于使用润滑油也很少,大多数情况下只需脂润滑就足够了, 大大的减少了机床由于摩擦而损失的能量消耗,提高了工作效率!


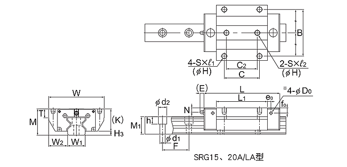
| 型号 | 外形尺寸 | LM滑块尺寸 | H3 | ||||||||||||||||||||||||||||||||||
|
高度 M |
宽度 W |
长度 L |
B | C | C2 | S | H | ℓ1 | ℓ2 | L1 | T | T1 | K | N | E | e0 | f0 | D0 | 油嘴 | ||||||||||||||||||
| SRG25C | 36 | 70 | 95.5 | 57 | 45 | 40 | M8 | 6.8 | - | - | 65.5 | 9.5 | 10 | 31.5 | 5.5 | 12 | 6 | 6.4 | 5.2 | B-M6F | 4.5 | ||||||||||||||||
| 型号 | LM轨道尺寸 | 基本额定负荷 |
静态容许力矩 kN•m*
|
质量 | |||||||||||||
|
宽度W1 0 -0.05 |
W2 |
高度 M1 |
孔距 F |
d1×d2×h |
长度 Max |
C kN |
Co kN |
MA | MB | MC | |||||||
| 单滑块 | 双滑块紧靠 | 单滑块 | 双滑块紧靠 | 单滑块 |
LM滑块 kg |
LM轨道 kg/m |
|||||||||||
| SRG25C | 23 | 23.5 | 23 | 30 | 7×11×9 | 3000 | 27.9 | 57.5 | 0.641 | 3.7 | 0.641 | 3.7 | 0.795 | 0.7 | 3.6 | ||
THK导轨滑块SRG25C四排沟槽钢珠在滑块与滑轨之间成4点90度角接触,可平衡抵消来自各方向滑块所受的力,不论滑轨呈任何角度装置,各方向之负载能力皆相等,广泛适合各类型机器采用,相较于哥德式二排沟设计,四排珠有著较高刚性,精度及寿命之优势,尤其X型之四排珠设计拥有自动调心能力,即使装配轨道的桌面产生很大的偏差或装置时出现误差,都能被系统自身消除掉,因而可获得轻快精准的直线运动。
























