优势特点:CPC直线导轨ARR/HRR/LRR系列的优势:一、高速运行时噪音低。二、新型CPC导轨的抗磨损。 三、精度高容易拆卸。四、组装简单配件通用。五、成本低效益好。



CPC标准型滚珠直线导轨ARR/HRR/LRR系列采用O型排列四列式滚珠循环设计,滚珠轨道面与滚珠接触角为45度,可达到四方向等负荷之效果。CPC特别在设计上加强力臂Lo的长度,故在承受相同外力F时,有更高的Mr值以提高刚性及抗扭矩能力方面之表现。此外同机型滑座中选用较大尺寸的钢珠及较多钢珠数,在负荷能力的表现上更是多出竞争对手10%~30%充分展现高负荷、高扭矩、高刚性功能。
◆高刚性结构
◆全方向注油孔
◆提供表面防锈处理
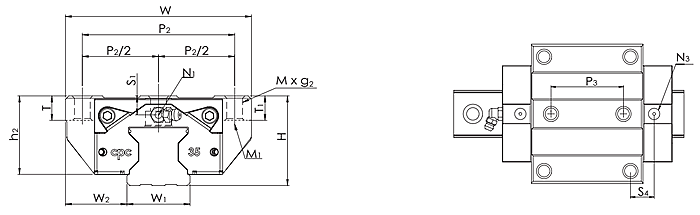
◆各方向同等负荷能力
◆提供下锁式及上锁式滑轨
◆双唇式端面防尘片标准型及强效型
◆环保与经济的润滑长期润滑间隔,最少润滑量
◆内藏式储油与供油系统设计
内藏式PU储油块设计,不增加滑座长度,可直接与各列滚珠接触;确保长期运行润滑效果,符合环保与降低保养成本。于短行程运行使用时,可展现极佳、有效之润滑。


◆防尘设计
【内部密封片】
可有效阻挡异物从滑轨顶面进入滑座轨 道内。亦可保持润滑油(脂)于滑座内, 延长再润滑之周期。
【底面密封片】
可防止底面方向的异物进入 及润滑油脂外泄。全方位密封设计,减 少用油量、增长再润滑周期,提高寿命。
【端面密封片】
cpc的双唇式端面密封片可防止端面方向的异物进入及润滑油脂外泄,工程塑料材料之弹性塑料比起一般橡胶的耐磨能力优秀并具备抗油裂解特性。
双唇式的几何能将额外的摩擦力降至最低,目前提供「非接触式低阻力型密封片」、「接触式泛用型密封片」两种选择。
【非接触式低阻力型密封片(B)】
能够应用于大部分的场合。与滑轨微接触,故具备括刷片之功能及低摩擦阻力。
【接触式泛用型密封片(S)】
与滑轨表面直接接触,拥有更佳的防尘能力与润滑维持。如果使用环境长时间暴露于高粉尘、木屑...等中,cpc建议使用接触式泛用型密封片,但摩擦阻力会高于标准型密封片。
◆不锈钢加强片设计
端盖两端采用不锈钢加强片设计,不锈钢加强片除具备刮刷片效果外,亦可承受更快的运行速度 (高速运行 10m/s)
CPC轻量化滚珠直线导轨系列采用高负荷、高刚性O型排列四列式滚珠循环设计,滚珠轨道面与滚珠接触角为45度,可达到四方向等负荷之效果。ARR/HRR/LRR滚子直线导轨,滑座的四列循环通道,有两列位于塑料配件中,可降低10~20%滑座重量。
具刮刷功能之不锈钢加强片,L型的设计能用螺丝在滑座的上方及下方固锁,强化端盖刚性及包覆性。使产品能够高速运动。ARR/HRR/LRR轻量化直线导轨主要提供VC、V0等预压等级,提高与客户加工件公差的容许度,增加使用便利性,更能节省客户加工成本。
◆加工件配合公差容许度高
◆可提供钢材表面特殊处理
◆轻量化钢体回流孔设计
◆四方向等负荷设计
◆可提供上锁式及下锁式滑轨
◆耐高速
◆端面双密封唇防尘设计,可提供接触式泛用型及非接触式低阻力型两种型式










ARR35MN ARR35ML HRR35MN HRR35ML HRR35MXL LRR35MN LRR35ML LRR35MXL
HRR35FN HRR35FL HRR35FXL LRR35FN LRR35FL LRR35FXL
下一篇:没有了

























