优势特点:日本THK螺杆DIR-2505-6属于精密螺母旋转丝杆,丝杆轴外径25,沟槽谷径22.2。润滑与磨擦:直线轴承内部注入防蚀油,若用油脂润滑时,先用煤油或有机溶济清除防蚀油,风干后再添加润 滑脂。(建议使用粘性标记为N0.2的锂皂润滑脂. )。


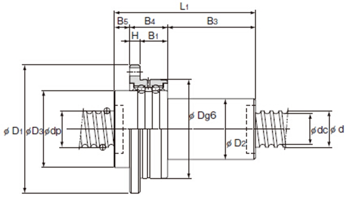
| 型号 |
丝杆轴 外径 d |
沟槽谷径 dc |
导程 ph |
钢球中心直径 dp |
基本额定负荷 |
刚性 K N/μm |
滚珠丝杆尺寸 | ||||
|
CA KN |
CA KN |
外径 D |
法兰直径 D1 |
全长 L1 |
D3 h7 |
||||||
| DIR-2505-6 | 25 | 22.2 | 5 | 25.75 | 9.7 | 22.6 | 490 | 66 | 86 | 88 | 52 |
|
型号 |
滚珠丝杆尺寸 |
支撑轴承 基本额定载荷 |
螺母惯性 力矩 Kg·cm |
螺母 质量 Kg |
轴 质量 Kg/m |
|||||||||||
| D2 | B5 | B4 | B3 | P1 | P2 | H | B1 | S | T | d1 |
CA KN |
COA KN |
||||
| DIR-2506-6 | 40 | 13 | 25 | 50 | 75 | 43 | 7 | 18 | M6 | 10 | 5.5 | 12.7 | 18.2 | 2.65 | 1.07 | 3.34 |
滚珠丝杠副的润滑:润滑剂可提高耐磨性及传动效率。润滑剂可分为润滑油和润滑 脂两大类。润滑油一般为全损耗系统用油:润滑脂可采用锂基润滑脂。润滑脂一般加在螺纹滚道和安装螺母的壳体空间内,而润滑油则经过壳体上的油孔注入螺母的 空间内。每半年对滚珠丝杠上的润滑脂更换一次,清洗丝杠上的旧润滑脂,涂上新的润滑脂。用润滑油润滑的滚珠丝杠副,可在每次机床工作前加油一次。
日本THK螺杆DIR-2505-6属于精密螺母旋转丝杆,丝杆轴外径25,沟槽谷径22.2。润滑与磨擦:直线轴承内部注入防蚀油,若用油脂润滑时,先用煤油或有机溶济清除防蚀油,风干后再添加润 滑脂。(建议使用粘性标记为N0.2的锂皂润滑脂. )。





















