优势特点:THK高导程滚珠丝杆BLR-3232-3.6属于螺母轧制丝杆,丝杆轴外径32,沟槽谷径28.3。对于暴露在外面的丝杠,一般采用螺旋刚带、伸缩套筒、锥形套筒以及折叠式塑料或人造革等形式的防护罩,以防止尘埃和磨粒粘附到丝杠表面。


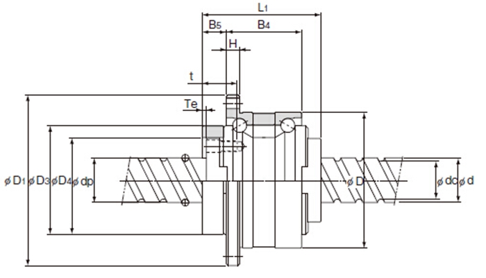
| 型号 |
丝杆轴 外径 d |
沟槽谷径 dc |
导程 ph |
钢球中心直径 dp |
基本额定负荷 | 滚珠丝杆尺寸 | ||||
|
CA KN |
COA KN |
外径 D |
法兰直径 D1 |
全长 L1 |
D3
|
|||||
| BLR-3232-3.6 | 32 | 28.3 | 32 | 33.25 | 17.3 | 53.9 |
0 80-0.007 |
105 | 80 |
0 66-0.025 |
|
型号 |
滚珠丝杆尺寸 |
支撑轴承 基本额定载荷 |
螺母惯性 力矩 Kg·cm2 |
螺母 质量 Kg |
轴 质量 Kg/m |
|||||||||||
| D4 | H | B4 | B5 | Te | P1 | P2 | S | T | d1 | θ ° |
CA KN |
COA KN |
||||
| BLR-3232-3.6 |
+0.003 58 |
9 | 55 | 14 | 3 | 91 | 48 | M6 | 19 | 6.6 | 40 | 30 | 39 | 6.74 | 1.74 | 5.83 |
滚珠丝杆螺母及支撑系统间隙与修理原因之一:螺母法兰盘与工作台连接松动而产生的间隙:这个问题一般容易被人忽视,因机床长期往复运动,固定法拉盘的螺钉松动产生间隙,在检查丝杆螺母间隙时最先把该故障因素先排除,以免在修理时走弯路。
THK高导程滚珠丝杆BLR-3232-3.6属于螺母轧制丝杆,丝杆轴外径32,沟槽谷径28.3。对于暴露在外面的丝杠,一般采用螺旋刚带、伸缩套筒、锥形套筒以及折叠式塑料或人造革等形式的防护罩,以防止尘埃和磨粒粘附到丝杠表面。




















