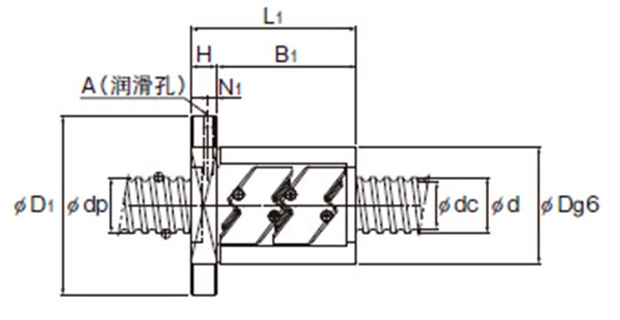
优势特点:THK丝杠BTK 1808V-3.6属于轧制滚珠丝杆,丝杆轴外径18,导程8。超高DN值滚珠丝杠用于高速工具机,高速综合加工中心机。
	
	
| 丝杆轴 外径 d | 导程 
 ph | 型号 | 钢球 中心直径 dp | 沟槽谷径 
 dc | 负荷 圈数 列×圈 | 基本额定载荷 | |
| Ca KN | COA KN | ||||||
| 18 | 8 | BTK 1808V-3.6 | 19.3 | 14.4 | 1×3.65 | 13.1 | 31 | 
| 螺母尺寸 | 标准轴长度 | 丝杆轴的 惯性力矩/mm Kg·cm2/mm | 螺母 质量 kg | 轴 质量 kg/m | ||||||||||||
| 外径 D | 法兰直径 D1 | 全长 | H | B1 | PCD | d1 | TW | 润滑孔 | 密封圈 M1 | 轴向 间隙 | ||||||
| N1 | A | |||||||||||||||
| 50 | 80 | 61 | 12 | 49 | 65 | 6.6 | 60 | 5 | M6 | - | 0.1 | 500、1000 | 8.09×10-4 | 0.84 | 1.71 | |





















